Ideal for various ventilation products, including high-airflow, smart, and high-temperature ventilation equipment.
The 37 Series external-rotor brushless DC motors, is primarily used in ventilation equipment thanks to its performance parameters and structural design. Its main applications include:
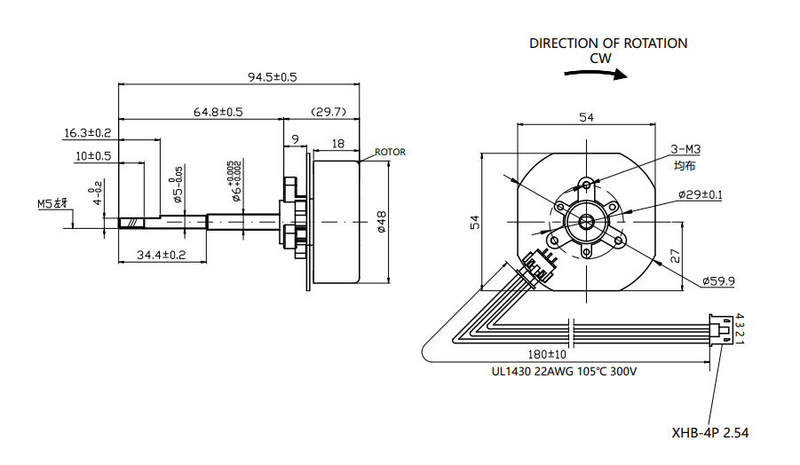
• High-airflow ventilation equipment: With a rated power of 24W (MAX) and a wide speed range of 500–5000 rpm, this motor can drive larger fan wheels to deliver strong air circulation. It is ideal for commercial air purifiers, fresh air systems, industrial exhaust fans, and other applications requiring high airflow.
• Smart ventilation systems: The integrated driver PCB (shown in Figure 2) supports precise speed regulation and intelligent control, enabling easy integration into smart home or building automation systems for automatic airflow adjustment, timer operation, and other functions.
• High-temperature environment equipment: The external-rotor structure provides a large heat dissipation area. Combined with high-efficiency electronic drive, the motor operates stably at elevated ambient temperatures, making it suitable for heaters, fireplace ventilation, and similar applications.
| Motor | Speed range | Rated voltage | Rated power |
| 37Series | 500–5000rpm | DC:12V–24V | 24W (MAX) |
