Simple structure, low cost, requiring no complex control, an economical choice for traditional household ventilation fans.
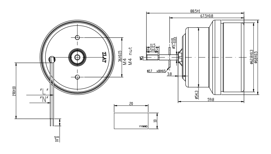
The 42 Series motor with a rated power of 25W, supporting 110V–240V AC input. Featuring a simple design with no complex control circuits, it offers low cost and high reliability, widely used in traditional ventilation equipment such as household ventilation fans and exhaust fans, providing an economical and practical ventilation solution for homes.
| Motor | Speed range | Rated voltage | Rated power |
| 42 Series | 500–5000rpm | AC:12V–24V | 25W (MAX) |
