Wide voltage, global use, high airflow for premium appliances
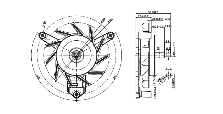
The 52 Series AC BLDC motor with a rated power of 45W, supporting a wide 110V–240V AC input and a speed range of 500–5000rpm, serving as the core power for hot air circulation systems in high-end air fryers and ovens targeting the global market. It enables direct adaptation to mains standards in different regions worldwide without additional power conversion. Its high-temperature resistant structure ensures stable long-term operation in high-temperature conditions. Intelligent speed control precisely matches airflow for cooking, effectively improving the cooking efficiency and user experience of medium-to-large and high-end kitchen appliances targeting the global market.

