High speed, high power, high voltage power supply, suitable for high-speed driving applications.
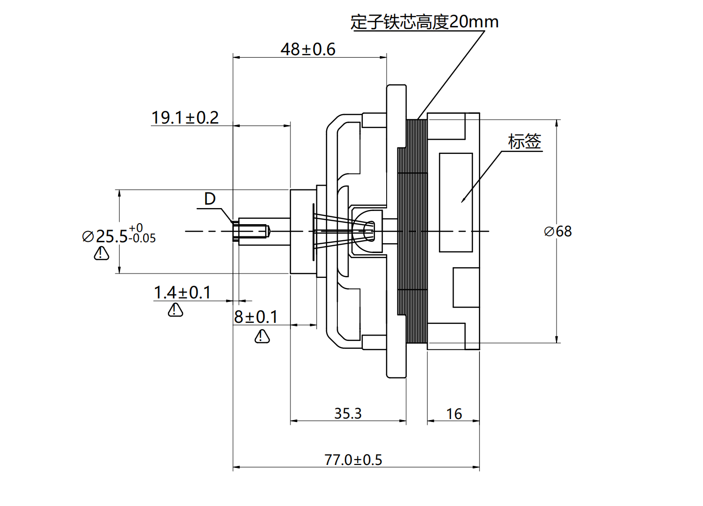
The EBT68UFB11 is a high-speed brushless motor (motor size 68mm), powered by DC 310V high voltage, max power 500W, reaching 15000rpm.
With strong power output, it is suitable for high-speed rotating equipment, such as industrial high-speed tools, small high-speed fans, and professional mixing devices. It excels in scenarios requiring high-speed operation, providing efficient high-speed power for industrial and professional equipment.

| Advantages of Using 68 Motors in Blenders and Slush Machines | |
1. No jamming, no speed drop 5000W true power + high torque → Crush ice and tough ingredients without slowing down or stalling 2. Brushless = No carbon dust, food-grade safety Fully meets food hygiene standards for blenders/slush machines 3. Long lifespan = Less maintenance Brushless motors last 5–10 times longer than brushed ones, reliable even with 8-hour daily commercial use 4. 310V High Voltage = High Efficiency, Low Heat Continuous operation without overheating or shutdown 5. Compact φ68 Design → Enables Premium Slim Aesthetics Ideal for trending, high-value models with striking visuals 6. Significantly Lower Noise High-speed brushless motor + vibration damping delivers far quieter operation than traditional brushed motors | |



