产品中心
产品中心
PRODUCT
封面
45 系列

高风压、稳定可靠,专为工业机柜等需要持续稳定散热的场景设计。

产品详情

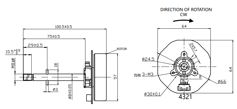
45 系列直流无刷电机,额定功率 35W,具备高风压输出特性。

它专为通信机柜、工业控制柜等工业场景设计,可在高温、高尘环境下持续稳定运行,有效带走设备热量,保障关键工业设备的散热安全与运行稳定性。

应用场景:通信机柜、工业控制柜散热、小型直流通风机



型号电机尺寸转速范围 额定电压额定功率
DB45H44B8345 系列 500–5000rpmDC:12V–24V35W (MAX)