结构特征:
机座直径 92mm,体积更大,散热面积更充足,热稳定性更好。
结构强度更高,适合长时间稳定运行。
Structural Feature:
Larger 92mm frame diameter, larger heat dissipation area, better thermal stability.
Higher structural strength for reliable long-term operation.
应用场景:
稳固结构有效降低振动和噪音,提升用户体验。
Application:
Robust structure effectively reduces vibration and noise to enhance user experience.




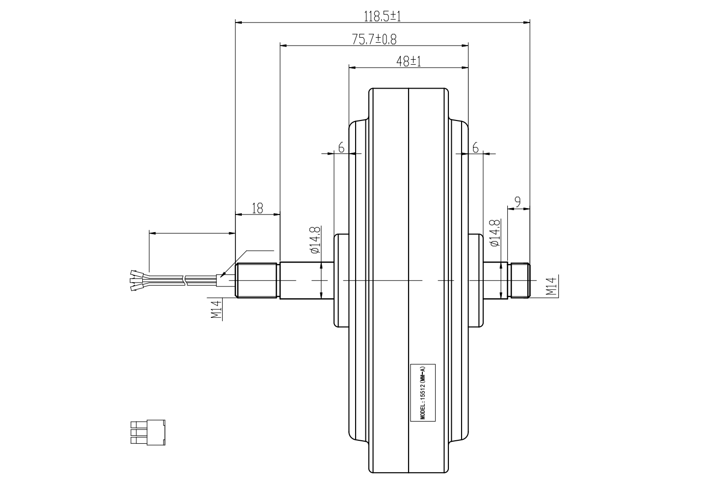
68、92、155 系列电机在吊扇应用中形成了清晰的产品梯度。
The 68, 92, and 155 series motors form a clear product gradient for ceiling fan applications.
68 与 92 系列为 12–24V 直流电机,最大功率 40W,转速范围 200–700rpm,前者机身紧凑(68 系列),适合小型吊扇;后者散热与稳定性更优(92 系列),适配中型吊扇。
The 68 and 92 series are 12–24V DC motors with a maximum power of 40W and a speed range of 200–700rpm. The 68 series features a compact design, ideal for small ceiling fans, while the 92 series offers better heat dissipation and stability, suitable for medium-sized fans.
155 系列为 110–240V 交流电机,最大功率提升至 50W,机身更大(155 系列),散热能力更强,可驱动大型吊扇,且直接接入市电,安装更便捷。三者转速范围一致,满足多档风速需求,用户可根据吊扇尺寸、安装空间及供电方式灵活选择。
The 155 series is a 110–240V AC motor with a maximum power of 50W. Its larger frame (155 series) provides stronger heat dissipation, enabling it to drive large ceiling fans, and it can be directly connected to mains power for easier installation. All three series share the same speed range to meet multi-speed requirements, allowing users to choose flexibly based on fan size, installation space, and power supply.