
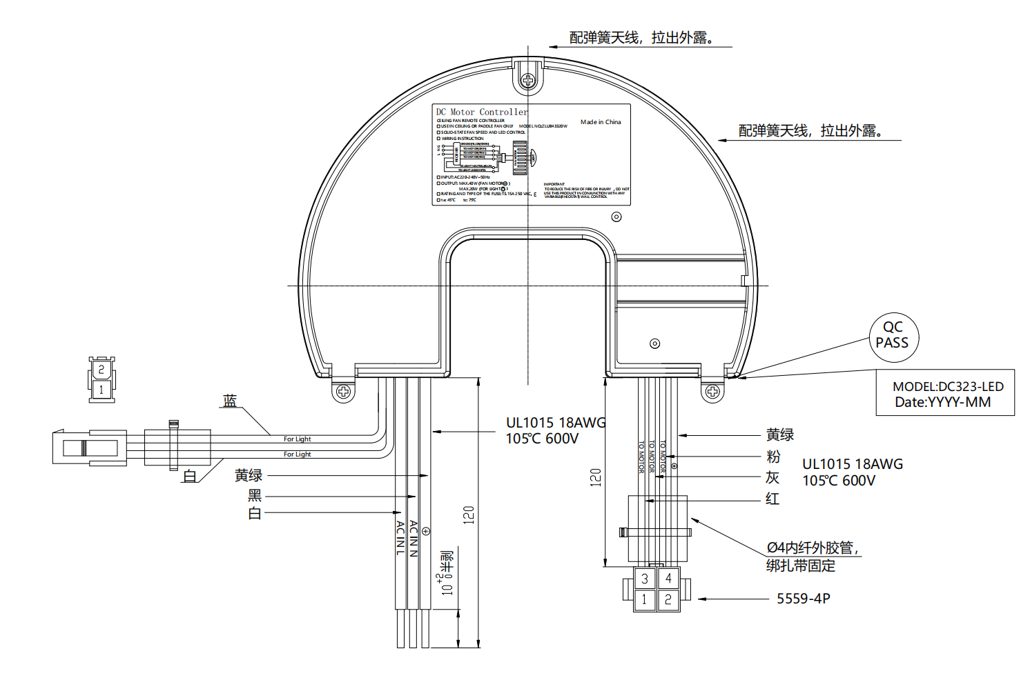
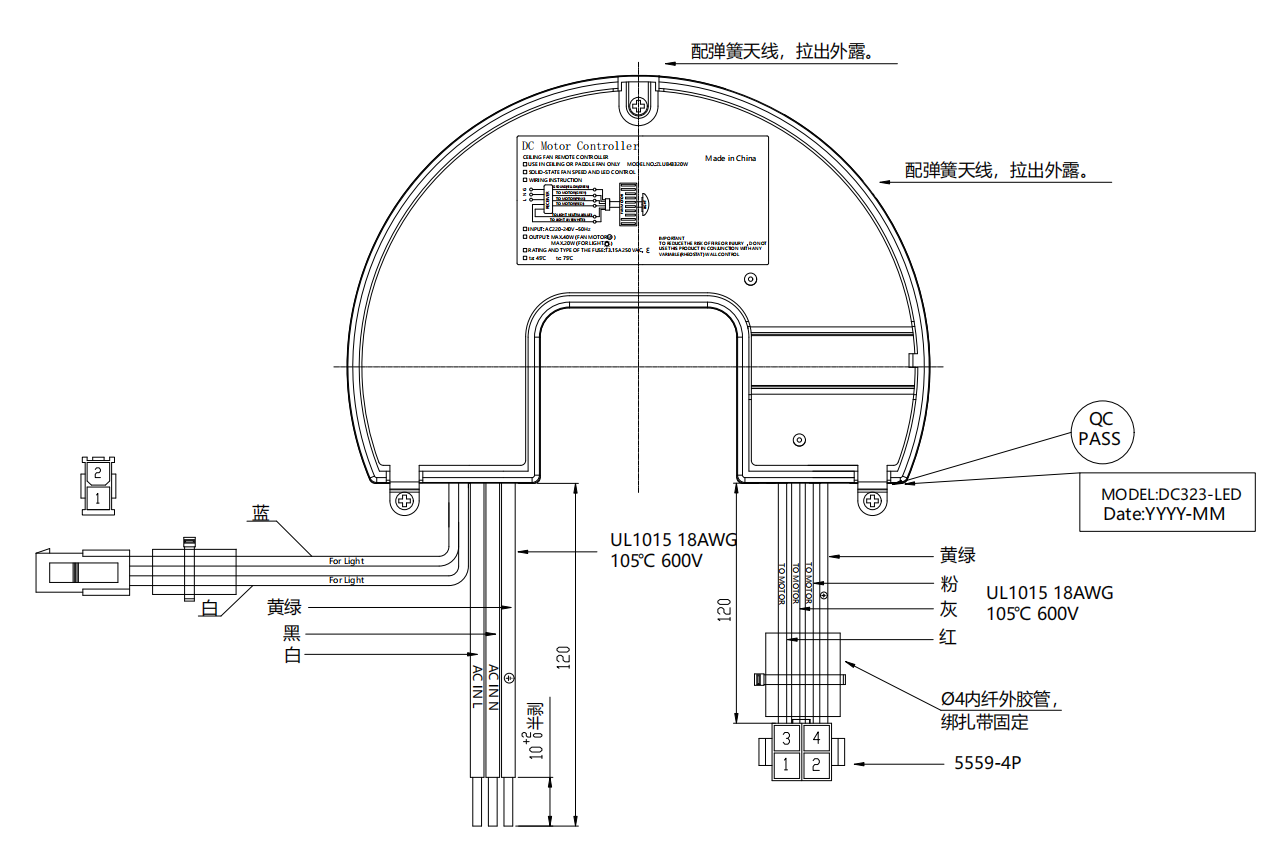
本系列吊扇驱动分为 U 形、直板两款,适配 AC110V-240V 宽电压输入,额定峰值功率分别为 60W、50W,持有 ETL/CB/CE/SAA 多国安规认证。核心可实现精准调速、智能定时、正反转控制,有效降低运行噪音,提升设备能效与使用舒适度。
通过 MCU 主控单元与功率驱动模块,将宽幅交 / 直流输入转换为可控驱动信号,配合闭环反馈实现电机精准调速、稳速运行,同时集成过热、过载、过压多重安全防护与 EMC 滤波设计,大功率破壁机型适配高负载启停场景。产品可优化电机能效,降低运行噪音与振动,提升设备稳定性与使用寿命,模块化设计大幅简化整机装配与维护。
全系列持有 ETL、CB、CE、SAA 多国安规认证,适配全球家用 / 商用家电市场。






可定制配套吊扇遥控器
射频发射器,ABS材质,符合ROHS要求
